Mengenal Sistem Pengereman ABS Alat Keselamatan yang ada Pada Alat Berat

Dengan peningkatan kebutuhan akan efisiensi dan keselamatan operasional, teknologi alat berat terus berkembang. Anti-lock Braking System (ABS) adalah salah satu inovasi penting yang telah diadopsi. Sistem ini mencegah roda kendaraan terkunci saat pengereman mendadak, sehingga operator dapat mempertahankan kendali dan stabilitas alat berat. Teknologi ini telah terbukti meningkatkan keamanan dan kinerja operasional alat berat seperti bulldozer, excavator, dan truk tambang, meskipun lebih dikenal di industri otomotif. Dalam artikel ini, kami akan membahas tentang apa itu sistem ABS, cara kerjanya, komponen utamanya serta keuntungan dan kerugian. Berikut ini adalah penjelasan nya.
Apa yang Dimaksud dengan Sistem ABS?

Sistem ABS (Anti-lock Braking System) adalah sebuah teknologi pengereman yang dirancang untuk mencegah roda kendaraan terkunci selama pengereman mendadak. Sistem ini menggunakan sensor dan komputer untuk mendeteksi kondisi roda yang terkunci dan mengatur tekanan rem secara otomatis untuk mencegah penguncian roda. Dengan demikian, kendaraan dapat tetap terkendali dan stabil, bahkan dalam kondisi jalan licin atau saat melakukan pengereman mendadak.
Bagaimana Cara Kerja Dari Sistem ABS?
Berikut ini adalah cara kerja dari sistem ABS:

- Deteksi Kondisi Roda: Sensor pada ABS mendeteksi kondisi roda yang terkunci.
- Pengaturan Tekanan Rem: Komputer pusat membandingkan kecepatan roda dan mengirimkan sinyal ke modulator untuk menyesuaikan tekanan rem.
- Pengaturan Tekanan: Modulator mengatur tekanan rem pada setiap roda untuk mencegah penguncian roda.
- Kinerja Optimal: Sistem ini beroperasi secara cepat dan berulang-ulang untuk memastikan pengereman yang optimal dan stabil
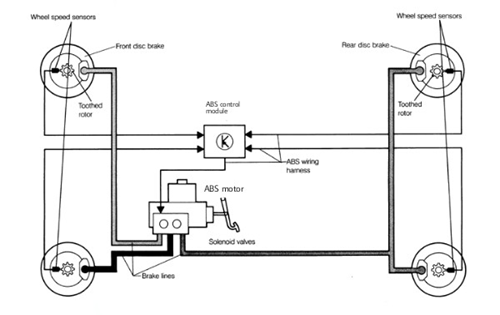
Dengan kata lain sistem ABS ini berfungsi dimuali ketika mobil ini bergerak yang ditandai dari masuknya beberapa data input. Wheel spees sensor akan mendeteksi putaran roda kendaraan. Keempat roda tersebut terdapat sensor – sensor yang akan mengirimkan sinyal, jika salah satu sinyal hilang bisa dipastikan roda tersebut dalam keadan terkunci dan indikator ABS akan menyala yang menandakan bahwa sistem ini tidak bekerja atau bannya terkunci. Sinyal ini akan masuk kedalam ABS Control Module untuk diolah bersama dengan sensor lainnya yang saling berkesinambungan. Jika ABS control module menemukan adanya roda yang selip atau terkunci maka modul ini akan mengirimkan arus ke aktuator ABS yaitu selenoid valve dan motor ABS.

Kedua aktuator ABS ini akan melepaskan daya pengereman di roda kendaraan yang terkunci, sehingga roda tersebut akan kembali berputar untuk mendapatkan traksi. Saat roda sudah terbatas, daya pengereman kembali disalurkan sehingga tetap akan menghentikan lajuu kendaraan. Proses ini berlangsung selama 1 detik saja sehingga dapat mengerjakan proses hingga 1 kali atau dalam artian setiap 1 detik maka sistem ABS ini dapat bekerja selama 15 kali, hal ini yang menyebabkan proses anti locking pada sistem rem tidak akan terasa, Dengan adanya sistem ini kita dapat mengendalikan laju kendaraan saat rem ditekan secara mendadak dan tanpa terjadinya slip atau mengunci.
Komponen – Komponen Apa Saja yang Ada Pada Sistem ABS?
Berikut ini adalah beberapa komponen yang ada pada sistem ABS:
1. Sensor Kecepatan:
2. Controller ABS:
3. Katup Pengereman:
- Katup pertama untuk memaksimalkan tekanan rem.
- Katup kedua untuk menghalangi tekanan rem.
- Katup ketiga untuk menjaga tekanan rem setengahnya.
4. Modul
5. Piston Rem
6. ECU (Electronic Control Unit)
Apa Saja Keuntungan Dan Kerugian Dari Sistem ABS Yang Digunakan Pada Alat Berat?
Penggunaan ABS (Anti-lock Braking System) pada alat berat memiliki beberapa keuntungan dan kerugian. Berikut adalah ringkasan dari keuntungan dan kerugian tersebut:
| No | Keuntungan | Kerugian |
| Â 1 | Memudahkan Pengendalian | Biaya Perawatan Tinggi |
| Â 2 | Lebih aman ketika melakukan pengereman mendadak | Kompleksitas Teknis |
| Â 3 | Pengurangan Aus pada Ban | Ketergantungan pada Ban yang Sesuai |
| Â 4 | Bisa Diterapkan pada Berbagai Jenis Alat Berat | |
| Â 5 | Memperpendek jarak tempuh saat pengereman |
Sebagai contoh penggunaan ABS pada alat berat dapat membantu dan menyelamatkan serta meningktkan keselamatan dan efisiensi operational adalah
- Truk tambang di medan berbatu
Sistem ABS ini akan membantu mencegah tergelincirnya roda saat membawa beban berat di medan yang berbatu, memungkinkan proses pemberhentian truk jauh lebih aman.
Ada 4 komponen dasar yang harus diperhatikan betul untuk penggunaannya agar semua alat berat yang menggunkan sistem ini bisa bekerja dengan baik komponen tersebut adalah katup pengereman, sensor kecepatan, kontroler dan juga pompa pada minyak rem. Apabila salah satu dari komponen ini mengalami kerusakkan maka sistem ABS tidak akan bisa menjalani fungsinya dengan baik. Agar semua komponen ini dapat bekerja dengan baik dan optimal perlunya perawatan yang rutin pada sistem ABS yang dilakukan oleh maintenance alat berat secara berkala. Pasalnya jika komponen ABS sudah tidak terawat dengan baik sensor ini bisa mengalami kerusakkan sehingga tidak dapat mendeteksi pergerakan ban yang terkunci akibat pengereman yang mendadak alhasil ban akan tetap terkunci saat terjadi pengereman dan operator akan kehilangan kendalinya.
Kesimpulan:
ABS adalah inovasi penting untuk alat berat yang meningkatkan keselamatan dan efisiensi operasi dengan menawarkan kontrol pengereman yang lebih baik, jarak pengereman yang lebih pendek, dan pengurangan keausan ban. Akibatnya, ABS sangat penting untuk operasi alat berat dalam berbagai industri. Manfaat jangka panjang dari penggunaan ABS membuatnya menjadi pilihan yang sangat baik bagi banyak bisnis, meskipun perlu investasi awal dan perawatan yang diperlukan. Terutama di industri yang berisiko tinggi seperti pertambangan dan konstruksi, penerapan ABS adalah kemajuan besar dalam hal keselamatan dan efisiensi.




